Athena Engineering S.r.l.
Athena Engineering S.r.l.
Berriak

Ponpa magnetiko fluoroplastikoen erabiltzailearen gida

2025-10-27 0 Utzi mezu bat

Fluoroplastikozko ponpa magnetikoek akoplamendu magnetikoen bidez transmititzen dute potentzia, zigilazio hermetiko osoa lortuz, zero isurketarekin. Motorrak akoplamendu magnetikoaren kanpoko altzairu magnetikoa biratzeko bultzatzen duenean, indar-lerro magnetikoak hutsunetik eta isolamendu-mahuketatik igarotzen dira barneko altzairu magnetikoaren gainean jarduteko, ponpa-errotoreak motorrarekin sinkronoki biratzeko eta momentua kontaktu mekanikorik gabe transmititzeko. Likidoa isolamendu-mahukaren barruan sartuta dagoenez, material-ihesak erabat ezabatzen dira, kutsadura murrizten, energia aurrezten, ingurumena arazteko eta tokiko langileen osasun fisikoa eta mentala babestuz.

-ren ezaugarri nagusiakPonpa Magnetikoak Fluoroplastikoak

1.Punparen barruko estalkia, errotorearen barruko errotorea eta isolamendu-mahuka guztiak F46 material puruz moldatuta daude, ezpurutasun prezipitaziorik gabe, garbitasun handiko eta oso korrosiboak diren likido kimikoak transferitzeko oso egokiak izanik.

2. Ponparen karkasa burdin harikorraz egina dago, nazio estandarren bridaren arabera diseinatuta. Erresistentzia mekaniko bikaina du eta kanalizazio-karga astunak jasan ditzake.

3.Flow-through osagaiak F46 materialarekin estaltzen dira, fluxu kanal leunak, errendimendu hidrauliko handiagoa, marruskadura hidrauliko-galera txikia eta eraginkortasun handia.

4. Ponparen ardatza, errodamenduen mahuka eta eraztun dinamiko/estatikoak presiorik gabeko silizio karburo sinterizatuz eginak daude, gogortasun handia, higadura erresistentzia eta korrosioarekiko erresistentzia handia erakusten dutenak.

5.Rodamendu mahukaren barruko espiral zirrikitu diseinu bereziak errodamendu lerragarrien bikotearen lubrifikazioa errazten du eta marruskadurak sortutako beroa eraginkortasunez xahutzen du ponparen funtzionamenduan.

6.Karbono-zuntzezko material inportatutako estalki indargarri bat gehitzen da isolamendu-mahukaren kanpoaldean, ponpa-unitateak sistemaren presio handiagoa jasateko eta metalezko mahuketan korronte ertain magnetikoek sortutako beroa ezabatuz.

7.Barneko eta kanpoko imanak neodimio-burdina-boro materialaz eginak dira, gainazaleko fluxu magnetikoaren dentsitatea 3600 Gauss-era arte. Horri esker, lehen mugimenduaren momentua bulkadoreari leunki transmititzea ahalbidetzen du fluxu handiko baldintzetan ere irristatu gabe, bulkagailuaren barruko errotorearen eta atzeko eraztunaren arteko kontaktua saihestuz. Honek osagai fluoroplastikoak urtzea ekiditen du marruskadura-beroaren ondorioz, ponpa magnetikoaren funtzionamendu egonkorra bermatuz ingurune oso korrosiboetan.

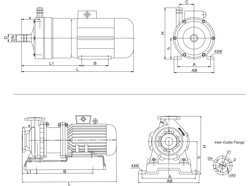
8.Ponpa unitate osoak back-pull egitura hartzen du, pertsona bakar batek barne mantentze-lanak eta piezak ordezkatzea ahalbidetzen du kanalizazioa desmuntatu gabe, mantentze erosoa bermatuz.

Magnetic pump product pictures


Fluorez estalitako ponpa magnetikoen instalazio eta martxan jartzeko zehaztapenak

1.Ponpa magnetikoak horizontalean instalatu behar dira eta ez bertikalki. Instalazio bertikala behar duten une berezietarako, motorrak gora begira egon behar du.

2.Xurgapen-likidoaren maila ponparen ardatzaren erdiko lerroa baino handiagoa denean, ireki xurgatze-hodiaren balbula abiarazi aurretik. Xurgatze-likidoaren maila ponparen ardatzaren erdiko lerroa baino txikiagoa bada, oin-balbula bat instalatu behar da kanalizazioan.

3.Ponpa martxan jarri aurretik, egin ikuskapenak: motorraren haizagailuen palek malgutasunez biratu behar dute trabarik edo zarata anormalik gabe; lokailu guztiak ondo estutu behar dira.

4.Egiaztatu motorraren biraketa-noranzkoa bat datorrela ponpa magnetikoko biraketa-markarekin.

5.Motorea martxan jarri ondoren, poliki-poliki ireki deskarga-balbula. Ponpa funtzionamendu-egoera egonkor batean sartzen denean, doitu isurketa-balbula behar den irekidurara.

6.Ponpa gelditu baino lehen, itxi lehenik isurketa-balbula eta, ondoren, moztu hornidura.

Ponpa magnetiko fluoroplastikoak erabiltzeko neurriak

Hona hemen ponpa magnetikoak erabiltzeko aholku batzuk. Horiek ulertzeak funtzionamendu seguruagoa eta eraginkorragoa ziurtatzen lagunduko du:

Esate baterako, ponparen errodamenduak hozteko eta lubrifikatzeko garraiatutako medioan oinarritzen dira erabat. Beraz, erabat debekatuta dago lehorrean ibiltzea. Era berean, saihestu kargarik gabeko funtzionamendua funtzionamenduan zehar elektrizitatea eten ondoren berrabiarazten duzunean, bestela, osagaiak erraz honda daitezke.

Garraiatutako medioan partikula solidoak badaude, gogoratu iragazki pantaila bat instalatzea ponparen sarreran. Burdinazko partikulak badaude, iragazki magnetiko bat hornitu behar da ponparen gorputza ezpurutasunek kaltetu ez dezaten.

Erabiltzerakoan giro-tenperaturak ez du 40 °C-tik gorakoa izan behar eta motorraren tenperatura igoerak ez du 75 °C-tik gorakoa izan behar, bestela, zerbitzu-bizitzan eragin dezake.

Horrez gain, garraiatutako medioak eta bere tenperaturak ponparen material-eskakizunak bete behar dituzte. Oro har, 100°C-tik beherako tenperatura duten likidoak garraiatzeko egokia da, partikula gogorrik eta zuntzrik gabe. Sistemaren gehienezko lan-presioa ez da 1.0 MPa baino handiagoa izan behar, likido-dentsitatea ez da 1300 kg/m³ baino handiagoa izan behar eta biskositatea ez da 30 cm²/s baino handiagoa izan behar. Kasu berezietarako, akordio zehatzak jarraitu behar dira.

Garraiatutako likidoa prezipitazio eta kristalizaziorako joera badago, ziurtatu ponparen gorputza denboraz garbitzen duzula erabili ondoren eta barruan metatutako likido guztia xukatu, blokeoak ekiditeko.

1000 orduko funtzionamendu normalaren ondoren, hobe da errodamenduen higadura eta muturreko eraztun dinamikoen higadura egiaztatzea. Ez konformatu zati zaurgarri higatuekin; ordezkapen puntuala beharrezkoa da errendimendua bermatzeko.

Oroigarri bat gehiago: ponpa magnetikoko akoplamendu magnetikoak errendimendu handiko iman iraunkorreko materialak erabiltzen ditu, eta horrek gailu sentikor batzuei eragin diezaieke, hala nola, taupada-markagailuak, txartel magnetikoak, telefono mugikorrak eta erlojuak. Gogoratu haiengandik distantzia jakin bat mantentzea.

Azkenik, elikadura-iturri tentsioak egonkorra izan behar du eta ez oso altua. 18,5 kW-tik gorako potentzia duten ponpetarako, maiztasuna bihurtzeko gailu bat edo auto-transformadore-jaitsiera-gailu bat instalatzea gomendatzen da, eta horrek motorra hobeto babestu dezake.

Matxurak eta arazoak konpontzeko metodoak




Matxura mota Kausak Arazoak konpontzeko metodoak
Ur isuririk ez 1. Alderantzizko ponparen biraketa2. Aire-ihesak xurgatze-hodian3. Ponpa-ganberan ur nahikoa4. Gehiegizko tentsio altua abiaraztean akoplamendua irristatzea eragiten du5. Xurgatze-altxatze altuegia6. Balbula ez da ireki 1. Doitu motorren kableatuak2. Aire-ihesak kentzea3. Handitu ur bolumena ponpa-ganberan4. Zuzendu tentsioa5. Jeitsi ponpa instalatzeko posizioa6. Balbula konpondu edo ordezkatu
Emaria nahikoa ez 1. Xurgatze-hodiaren diametroa txikiegia edo trabatua2. Blokeatutako bultzadorearen fluxu-kanala3. Burua gehiegi altua4. Buldadorearen higadura 1. Ordeztu edo garbitu xurgatze-hodia2. Garbitu bultzatzailea3. Ireki ur-balbula zabalago4. Ordeztu bultzatzailea
Buru baxua 1. Gehiegizko emaria2. Biraketa-abiadura baxuegia 1. Murriztu deskarga-balbularen irekiera2. Berrezarri biraketa-abiadura nominala
Gehiegizko zarata 1. Ardatzaren higadura larria2. Errodamenduen higadura handia3. Kanpoko/barneko altzairu magnetikoaren eta isolamendu mahukaren arteko kontaktua4. Zigilatzeko eraztuna eta bultzatzailea elkarren aurka ehotzea5. Hodiaren euskarri ezegonkorra6. Kavitazioa 1. Ordezkatu errodamendua2. Ordeztu ardatza3. Desmuntatu eta berriro muntatu ponparen burua4. Ordeztu bultzada-eraztuna eta zigilatzeko eraztuna5. Hoditeria egonkortu6. Murriztu hutsaren gradua
Likidoen ihesa O-ring hondatuta Ordeztu O-ringa

Teffiko: Italiako artisautza aukera bat ponpa magnetiko fluoroplastikoen eremuan

Fluoroplastikozko ponpa magnetikoen aukeraketan eta aplikazioan, gaitasun tekniko sendoak, kalitate fidagarria eta industriako esperientzia duen marka hautatzea funtsezkoa da ekoizpen segurua eta eraginkorra bermatzeko.Teffiko, marka italiarra, aukera fidagarria da arlo honetan. Lan-baldintza estandarretan irteera egonkorra edo euskarri berezietarako irtenbide pertsonalizatuak behar dituzun ala ez, Teffiko-k laguntza fidagarria eman dezake bere produktu eta zerbitzu profesionalekin, eta bazkide bikaina da fluoroplastikozko ponpa magnetikoen aplikazioetarako industria-ekoizpenean.





Lotutako Albisteak
Utzi mezu bat
  • BACK TO ATHENA GROUP
  • X
    Cookieak erabiltzen ditugu nabigazio esperientzia hobea eskaintzeko, guneko trafikoa aztertzeko eta edukia pertsonalizatzeko. Gune hau erabiltzean, gure cookieen erabilera onartzen duzu. Pribatutasun politika
    Baztertu Onartu